
Новая взрывозащищенная клеммная коробка ФОКУС ВККФ предназначена для применения на объектах производства, промышленности и нефтегазового сектора.
Основные технические характеристики


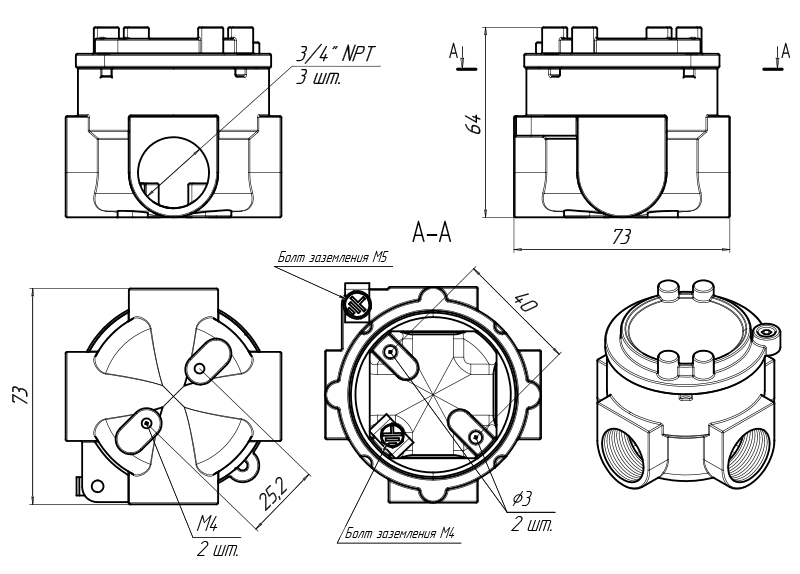
Конструкция корпуса
Клеммная коробка ФОКУС ВККФ представляет собой взрывозащищенный корпус с крышкой и тремя отверстиями с резьбой 3/4" NPT, сертифицированными на соответствие требованиям ТР ТС 012/2011 (длина резьбовой части 15 мм, резьба имеет 7 витков, шаг резьбы 2 мм).

ВККФ выполнена из коррозионностойкого модифицированного алюминиево-кремниевого сплава AlSi13, устойчивого к солевому туману и другим химическим веществам, в том числе устойчивого к парам сероводорода и соляной кислоты, к солевым и кислым рудничным водам.
Корпус окрашен антистатическим полимерно-эпоксидным покрытием, фрикционно искробезопасным, устойчивым к рабочим средам и ионизирующему излучению.
Назначение и применение
Данной клеммной коробкой могут комплектоваться следующие серии взрывозащищенных светильников ФОКУС: ПСС 1Ех, УСС 2Ех, УСС 2Ех низковольтные, УСС Магистраль 2Ех.
Клеммные коробки ВККФ предназначены для подсоединения и коммутации электротехнических устройств на промышленных производственных объектах во взрывоопасных зонах классов 1, 2 по ГОСТ IEC 60079-10-1-2013, а также зонах, опасных по воспламенению горючей пыли классов 21, 22 по ГОСТ IEC 60079-10-2-2011, согласно Ех-маркировке ВККФ и ГОСТ IEC 60079-14-2013.
Могут применяться во взрывоопасных зонах классов 1, 2, 21, 22 по ГОСТ IEC 60079-10-1-2013, ГОСТ IEC 60079-10-2-2011 подгруппы IIA, IIB, IIC и температурным классам Т1…Т6 по ГОСТ Р МЭК 60079-20-1-2011.
Варианты кабельных вводов
Кабельный ввод под трубу 1/2'' NPT c адаптером под металлорукав с Ду 12 мм.
Кабельный ввод под трубу 1/2'' NPT.
Кабельный ввод под трубу G 1/2''.
Кабельный ввод под трубу М20х1,5.
Кабельный ввод под металлорукав с Ду 15 мм.
Кабельный ввод под металлорукав с Ду 20 мм.
Кабельный ввод под трубу 3/4'' NPT.
Кабельный ввод под трубу G 3/4''.
Кабельный ввод под трубу М25х1,5.
Кабельный ввод для небронированного кабеля.